Hive 学习之路(五)—— Hive 分区表和分桶表
一、分区表
1.1 概念
Hive中的表对应为HDFS上的指定目录,在查询数据时候,默认会对全表进行扫描,这样时间和性能的消耗都非常大。
分区为HDFS上表目录的子目录,数据按照分区存储在子目录中。如果查询的where字句的中包含分区条件,则直接从该分区去查找,而不是扫描整个表目录,合理的分区设计可以极大提高查询速度和性能。
这里说明一下分区表并Hive独有的概念,实际上这个概念非常常见。比如在我们常用的Oracle数据库中,当表中的数据量不断增大,查询数据的速度就会下降,这时也可以对表进行分区。表进行分区后,逻辑上表仍然是一张完整的表,只是将表中的数据存放到多个表空间(物理文件上),这样查询数据时,就不必要每次都扫描整张表,从而提升查询性能。
1.2 使用场景
通常,在管理大规模数据集的时候都需要进行分区,比如将日志文件按天进行分区,从而保证数据细粒度的划分,使得查询性能得到提升。
1.3 创建分区表
在Hive中可以使用PARTITIONED BY子句创建分区表。表可以包含一个或多个分区列,程序会为分区列中的每个不同值组合创建单独的数据目录。下面的我们创建一张雇员表作为测试:
CREATE EXTERNAL TABLE emp_partition(
empno INT,
ename STRING,
job STRING,
mgr INT,
hiredate TIMESTAMP,
sal DECIMAL(7,2),
comm DECIMAL(7,2)
)
PARTITIONED BY (deptno INT) -- 按照部门编号进行分区
ROW FORMAT DELIMITED FIELDS TERMINATED BY "\t"
LOCATION '/hive/emp_partition';
1.4 加载数据到分区表
加载数据到分区表时候必须要指定数据所处的分区:
# 加载部门编号为20的数据到表中
LOAD DATA LOCAL INPATH "/usr/file/emp20.txt" OVERWRITE INTO TABLE emp_partition PARTITION (deptno=20)
# 加载部门编号为30的数据到表中
LOAD DATA LOCAL INPATH "/usr/file/emp30.txt" OVERWRITE INTO TABLE emp_partition PARTITION (deptno=30)
1.5 查看分区目录
这时候我们直接查看表目录,可以看到表目录下存在两个子目录,分别是deptno=20和deptno=30,这就是分区目录,分区目录下才是我们加载的数据文件。
# hadoop fs -ls hdfs://hadoop001:8020/hive/emp_partition/
这时候当你的查询语句的where包含deptno=20,则就去对应的分区目录下进行查找,而不用扫描全表。

二、分桶表
1.1 简介
分区提供了一个隔离数据和优化查询的可行方案,但是并非所有的数据集都可以形成合理的分区,分区的数量也不是越多越好,过多的分区条件可能会导致很多分区上没有数据。同时Hive会限制动态分区可以创建的最大分区数,用来避免过多分区文件对文件系统产生负担。鉴于以上原因,Hive还提供了一种更加细粒度的数据拆分方案:分桶表(bucket Table)。
分桶表会将指定列的值进行哈希散列,并对bucket(桶数量)取余,然后存储到对应的bucket(桶)中。
1.2 理解分桶表
单从概念上理解分桶表可能会比较晦涩,其实和分区一样,分桶这个概念同样不是Hive独有的,对于Java开发人员而言,这可能是一个每天都会用到的概念,因为Hive中的分桶概念和Java数据结构中的HashMap的分桶概念是一致的。
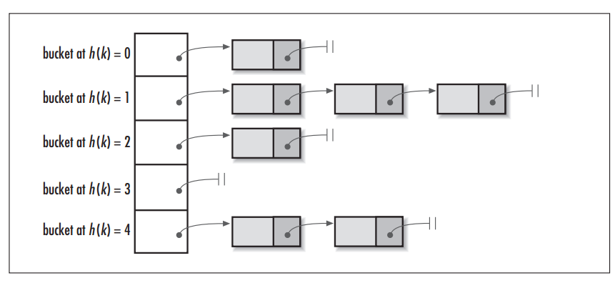
当调用HashMap的put()方法存储数据时,程序会先对key值调用hashCode()方法计算出hashcode,然后对数组长度取模计算出index,最后将数据存储在数组index位置的链表上,链表达到一定阈值后会转换为红黑树(JDK1.8+)。下图为HashMap的数据结构图:

图片引用自:HashMap vs. Hashtable
1.3 创建分桶表
在Hive中,我们可以通过CLUSTERED BY指定分桶列,并通过SORTED BY指定桶中数据的排序参考列。下面为分桶表建表语句示例:
CREATE EXTERNAL TABLE emp_bucket(
empno INT,
ename STRING,
job STRING,
mgr INT,
hiredate TIMESTAMP,
sal DECIMAL(7,2),
comm DECIMAL(7,2),
deptno INT)
CLUSTERED BY(empno) SORTED BY(empno ASC) INTO 4 BUCKETS --按照员工编号散列到四个bucket中
ROW FORMAT DELIMITED FIELDS TERMINATED BY "\t"
LOCATION '/hive/emp_bucket';
1.4 加载数据到分桶表
这里直接使用Load语句向分桶表加载数据,数据时可以加载成功的,但是数据并不会分桶。
这是由于分桶的实质是对指定字段做了hash散列然后存放到对应文件中,这意味着向分桶表中插入数据是必然要通过MapReduce,且Reducer的数量必须等于分桶的数量。由于以上原因,分桶表的数据通常只能使用CTAS(CREATE TABLE AS SELECT)方式插入,因为CTAS操作会触发MapReduce。加载数据步骤如下:
1. 设置强制分桶
set hive.enforce.bucketing = true; --Hive 2.x不需要这一步
在Hive 0.x and 1.x版本,必须使用设置hive.enforce.bucketing = true,表示强制分桶,允许程序根据表结构自动选择正确数量的Reducer和cluster by column来进行分桶。
2. CTAS导入数据
INSERT INTO TABLE emp_bucket SELECT * FROM emp; --这里的emp表就是一张普通的雇员表
可以从执行日志看到CTAS触发MapReduce操作,且Reducer数量和建表时候指定bucket数量一致:

1.5 查看分桶文件
bucket(桶)本质上就是表目录下的具体文件:

三、分区表和分桶表结合使用
分区表和分桶表的本质都是将数据按照不同粒度进行拆分,从而使得在查询时候不必扫描全表,只需要扫描对应的分区或分桶,从而提升查询效率。两者可以结合起来使用,从而保证表数据在不同粒度上都能得到合理的拆分。下面是Hive官方给出的示例:
CREATE TABLE page_view_bucketed(
viewTime INT,
userid BIGINT,
page_url STRING,
referrer_url STRING,
ip STRING )
PARTITIONED BY(dt STRING)
CLUSTERED BY(userid) SORTED BY(viewTime) INTO 32 BUCKETS
ROW FORMAT DELIMITED
FIELDS TERMINATED BY '\001'
COLLECTION ITEMS TERMINATED BY '\002'
MAP KEYS TERMINATED BY '\003'
STORED AS SEQUENCEFILE;
此时导入数据时需要指定分区:
INSERT OVERWRITE page_view_bucketed
PARTITION (dt='2009-02-25')
SELECT * FROM page_view WHERE dt='2009-02-25';
参考资料
更多大数据系列文章可以参见个人 GitHub 开源项目: 程序员大数据入门指南
Hive 学习之路(五)—— Hive 分区表和分桶表的更多相关文章
- Hive 系列(五)—— Hive 分区表和分桶表
一.分区表 1.1 概念 Hive 中的表对应为 HDFS 上的指定目录,在查询数据时候,默认会对全表进行扫描,这样时间和性能的消耗都非常大. 分区为 HDFS 上表目录的子目录,数据按照分区存储在子 ...
- 一起学Hive——创建内部表、外部表、分区表和分桶表及导入数据
Hive本身并不存储数据,而是将数据存储在Hadoop的HDFS中,表名对应HDFS中的目录/文件.根据数据的不同存储方式,将Hive表分为外部表.内部表.分区表和分桶表四种数据模型.每种数据模型各有 ...
- hive 分区表和分桶表
1.创建分区表 hive> create table weather_list(year int,data int) partitioned by (createtime string,area ...
- 入门大数据---Hive分区表和分桶表
一.分区表 1.1 概念 Hive 中的表对应为 HDFS 上的指定目录,在查询数据时候,默认会对全表进行扫描,这样时间和性能的消耗都非常大. 分区为 HDFS 上表目录的子目录,数据按照分区存储在子 ...
- Hive(六)【分区表、分桶表】
目录 一.分区表 1.本质 2.创建分区表 3.加载数据到分区表 4.查看分区 5.增加分区 6.删除分区 7.二级分区 8.分区表和元数据对应得三种方式 9.动态分区 二.分桶表 1.创建分桶表 2 ...
- Hive 教程(四)-分区表与分桶表
在 hive 中分区表是很常用的,分桶表可能没那么常用,本文主讲分区表. 概念 分区表 在 hive 中,表是可以分区的,hive 表的每个区其实是对应 hdfs 上的一个文件夹: 可以通过多层文件夹 ...
- Hive SQL之分区表与分桶表
Hive sql是Hive 用户使用Hive的主要工具.Hive SQL是类似于ANSI SQL标准的SQL语言,但是两者有不完全相同.Hive SQL和Mysql的SQL方言最为接近,但是两者之间也 ...
- [转帖]Hive学习之路 (一)Hive初识
Hive学习之路 (一)Hive初识 https://www.cnblogs.com/qingyunzong/p/8707885.html 讨论QQ:1586558083 目录 Hive 简介 什么是 ...
- Hive学习之路 (一)Hive初识
Hive 简介 什么是Hive 1.Hive 由 Facebook 实现并开源 2.是基于 Hadoop 的一个数据仓库工具 3.可以将结构化的数据映射为一张数据库表 4.并提供 HQL(Hive S ...
随机推荐
- redis在windows10上跑起来
原文:redis在windows10上跑起来 今天,开始学习redis,发现大多数redis都是在Linux上面运行的,可是我想把它放到windows上面运行,经过查找资料,在GitHub上面发现了一 ...
- android网络开源框架volley(五岁以下儿童)——volley一些细节
最近的一次volley整理出下一个.我以前没有再次遭遇了一些小问题,在该记录: 1.HttpUrlConnection DELETE 信息不能加入body问题:java.net.ProtocolExc ...
- 借助Photoshop,Illustrator等设计软件进行WPF图形图像的绘制
原文:借助Photoshop,Illustrator等设计软件进行WPF图形图像的绘制 本文所示例子是借助第三方设计软件,制作复杂的矢量图形,转成与XAML酷似的SVG,再转换成xaml而实现的. 这 ...
- Visual C# 2010 实现资源管理器
演练:使用设计器创建带有 ListView 和 TreeView 控件的资源管理器样式的界面 Visual Studio 2010 其他版本 此主题尚未评级 - 评价此主题 Vis ...
- Java高级应用(一个)-文件夹监控服务
最近.在研究一些比较成熟的框架.他们还发现,他们中的一些相当不错的文章.现在,对于一些在你们中间一个简单的翻译(版的英文文章,非常有帮助). 译:原文链接 你有没有发现,当你编辑一个文件.同一时候使用 ...
- QPointer,QSharedPointer,QWeakPointer的区别与使用例子(QSharedPointer类似Delphi里的引用计数,是强引用,而QWeakPointer是弱引用,不影响原始对象的引用计数,相当于是在暗中观察对象,但保持联系,需要的时候就会出现)
QPointer is a template class that provides guarded pointers to Qt objects and behaves like a normal ...
- cocos2d-x 源代码分析 : Ref (CCObject) 源代码分析 cocos2d-x内存管理策略
从源代码版本号3.x.转载请注明 cocos2d-x 总的文件夹的源代码分析: http://blog.csdn.net/u011225840/article/details/31743129 1.R ...
- JAVASCRIPT高程笔记-------第六章 面向对象的程序设计
理解对象的概念 js中的对象与其他 编程语言中的类不一样 ECMAscript 没有类的概念 ECMA-262 把对象定义为 “无序属性的集合,其属性可以包含基本值,对象或者函数” ...
- 在WPF中,如何得到任何Object对象的XAML代码?
原文:在WPF中,如何得到任何Object对象的XAML代码? 在WPF中,可以使用System.Windows.Markup.XamlWriter.Save(objName)得到任何Object对象 ...
- ArcGIS中Python逆地理编码,根据坐标获取实际的地址
import json import urllib import arcpy def getAddress(lng,lat): url= 'http://restapi.amap.com/v3/geo ...