STM32G431RBT6之LED灯02
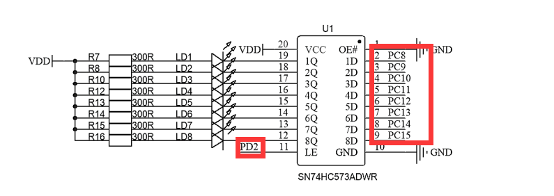
- cubeMX根据引脚

选取这些引脚,设置为GPIO_Output
除复用引脚之外的需要设置输出为High
- LED控制语句
<led.c>
#include <led.c> void LED_Disp(uchar dsLED)
{
HAL_GPIO_WritePin(GPIOC,GPIO_PIN_All,GPIO_PIN_SET);
HAL_GPIO_WritePin(GPIOC,dsLED<<8,GPIO_PIN_RESET);
HAL_GPIO_WritePin(GPIOD,GPIO_PIN_2,GPIO_PIN_SET);//锁存器置高
HAL_GPIO_WritePin(GPIOD,GPIO_PIN_2,GPIO_PIN_RESET);
}<led.h>
#ifndef _LED_H_#define _LED_H_ #include "main.h" void LED_Disp(uchar dsLED); #endif
在main.h中需要自定义简化版的数据类型

- main.c中需要添加的
①包含头文件
②初始化

③功能定义

注意:如果报错,则需要添加bsp文件路径

STM32G431RBT6之LED灯02的更多相关文章
- 我的 FPGA 学习历程(02)—— 实验:点亮 LED 灯
关于 Quartus 的操作可以使用 Quartus 自带的帮助,帮助中带有全套的操作教程. 中文网络教程链接(链接至 altera中文官网,点击观看) Quartus II 软件设计系列:基础 Qu ...
- TI-RTOS 控制LED灯
TI将FreeRtos放在自家芯片上,于是得到了TI-RTOS,两者的区别我还不太清楚,近日因为项目需要,开始试用TI-RTOS,先来一个点灯的实验吧,算是 hello world. 这次手上的板子是 ...
- enc28J60 网页控制LED灯
软件IDE:Arduino 1.6.3 1.库的安装: 从https://github.com/jcw/ethercard 下载源码包,解压,复制ethercard-master文件夹到Arduino ...
- 嵌入式学习笔记(综合提高篇 第一章) -- 利用串口点亮/关闭LED灯
1 前言 从踏入嵌入式行业到现在已经过去了4年多,参与开发过的产品不少,有交换机.光端机以及光纤收发器,停车场出入缴费系统,二维码扫码枪,智能指纹锁以及数字IC芯片开发等; 涉及产品中中既有 ...
- 01 Arduino-点亮一盏LED灯
01 硬件连接 图片比较丑 特别说明:一般默认为二极管灯的压降是 2V 均值电流为15ma,所以如果接在5V的电源上面,串联接的电阻值为200欧姆左右,可做适当调整 切记不允许把LED灯直接并联在5 ...
- 嵌入式Linux学习入门:控制LED灯
记录自己linux学习过程,让自己能够一直坚持下去 1.原理图分析: nLED_1, nLED_2, nLED_4, 给低电平则对应LED灯亮,高电平则对应LED灯灭, S3C2440芯片GPF4-G ...
- 第一个FPGA工程----点亮开发板上的3个LED灯
第一个FPGA工程----点亮开发板上的3个LED灯 1.新建FPGA工程 开启Quartus2的画面 File--New Project Wizard..指定工程的路径与工程名 指定所使用的FPGA ...
- Arduino 翻译系列 - LED 灯闪烁
原文地址 - https://www.arduino.cc/en/Tutorial/Blink 闪烁 这个例子展示了你能拿 Arduino / Genuino 板子来干的最简单的事:使开发板上的 LE ...
- 定时器的应用---中断方式---让8个LED灯,左右各4个来回亮
定时器的应用---中断方式---让8个LED灯,左右各4个来回亮 /*************************** 中断方式 是主程序专注于其他的事情, 待定时器中断时才执行中断子程序. ** ...
- 定时器的应用---查询方式---让8个LED灯,左右各4个来回亮
定时器的应用,查询方式.让8个LED灯,左右各4个来回亮 代码: /********************** 查询方式是主程序不断的查询是否中断,而不需要准备子程序 *************** ...
随机推荐
- Redis是什么? --九五小庞
引言 在Web应用发展的初期,那时关系型数据库受到了较为广泛的关注和应用,原因是因为那时候Web站点基本上访问和并发不高.交互也较少.而在后来,随着访问量的提升,使用关系型数据库的Web站点多多少少都 ...
- ORA-01109数据库未打开-九五小庞
SQL> startup mountORA-01081: 无法启动已在运行的 ORACLE - 请首先关闭它SQL> shutdown immediateORA-01109: 数据库未打开 ...
- AI 应用开发的陷阱:MCP 的致命问题
将大语言模型(LLM)与外部工具连接,是扩展其能力的主流方法.通过给模型提供工具,它就能查询数据.调用 API,完成更复杂的任务. 提供工具时,可以使用 MCP 模式,简单来说:由一个外部的.集中的工 ...
- IDEA的安装与卸载
IDEA安装 什么是IDE IDE是集成开发环境,用于提供程序开发环境的应用程序,一般包括代码编辑器,编译器,调试器图形用户界面等工具. 常见的Java的IDE工具有Eclipse,IntelliJ ...
- 01API语法与路由配置详解
go-zero API语法与路由配置详解 1. API定义文件规范 // api/user.api syntax = "v1" type LoginReq { Username s ...
- Hillstone 防火墙技术——StoneOS防火墙配置管理和说明
简介:防火墙可以在三种模式下进行操作:路由/NAT模式和透明模式以及混合模式(路由/nat和透明模式的结合,也即是三层管理和二层管理): 路由/NAT 模式部署灵活,并且支持防火墙和路由器两种设备的功 ...
- [题解]MX-X6 A~B
Portal:https://www.luogu.com.cn/contest/200833 \(\bf{100+100+12+0+7+0=\color{indianred}219}\)\(\bf{\ ...
- JWT身份认证原理介绍
目录 传统的身份认证特点 JWT的身份认证特点 JWT的结构解析 JWT 的工作流程 安全注意事项 JSON Web Token (JWT) 是一种开放标准(RFC 7519),它定义了一种紧凑且自包 ...
- Spark UDF/UDAF(JAVA)
UDF(User-Defined-Function) UDF是用于处理一行数据的,接受一行输入产生一个输出,类似与map()算子, UDAF(User- Defined Aggregation Fun ...
- MySQL 查询不区分大小写的问题以及编码格式问题
查询不区分大小写 最近,在用SSH框架完成一个实践项目时,碰到了一个莫名其妙的Bug困扰了我好久,最后终于解决,记录如下. 问题:同学在测试系统的时候突然发现,数据库保存的账户本来应该是admin,结 ...