PLC入门笔记10
梯形图电路之顺序控制

顺序控制功能图



顺序控制功能图的梯形图表达
编程原则

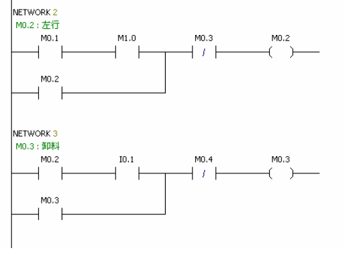
实例分析





SMo0.1西门子首次扫描时为ON,常用作初始化脉冲

这是台达的

这是优控的..
PLC入门笔记10的更多相关文章
- ASP.NET Core 入门笔记10,ASP.NET Core 中间件(Middleware)入门
一.前言 1.本教程主要内容 ASP.NET Core 中间件介绍 通过自定义 ASP.NET Core 中间件实现请求验签 2.本教程环境信息 软件/环境 说明 操作系统 Windows 10 SD ...
- Python入门笔记(10):字典
一.映射类型 我理解中的映射类型是:键值对的关系,键(key)映射值(value),且它们是一对多的关系.字典是Python唯一的映射类型. 扩展1:哈希表一种数据结构,值是根据相关的键进行数据存储的 ...
- ES6入门笔记
ES6入门笔记 02 Let&Const.md 增加了块级作用域. 常量 避免了变量提升 03 变量的解构赋值.md var [a, b, c] = [1, 2, 3]; var [[a,d] ...
- React.js入门笔记
# React.js入门笔记 核心提示 这是本人学习react.js的第一篇入门笔记,估计也会是该系列涵盖内容最多的笔记,主要内容来自英文官方文档的快速上手部分和阮一峰博客教程.当然,还有我自己尝试的 ...
- redis入门笔记(2)
redis入门笔记(2) 上篇文章介绍了redis的基本情况和支持的数据类型,本篇文章将介绍redis持久化.主从复制.简单的事务支持及发布订阅功能. 持久化 •redis是一个支持持久化的内存数据库 ...
- redis入门笔记(1)
redis入门笔记(1) 1. Redis 简介 •Redis是一款开源的.高性能的键-值存储(key-value store).它常被称作是一款数据结构服务器(data structure serv ...
- MySQL入门笔记
MySQL入门笔记 版本选择: 5.x.20 以上版本比较稳定 一.MySQL的三种安装方式: 安装MySQL的方式常见的有三种: · rpm包形式 · 通用二进制 ...
- webpack入门笔记
此为第一篇主要是webpack入门笔记: http://if-true.com/2015/10/16/webpack-tutorial-translate.html
- kafka 入门笔记 #1
kafka 入门笔记(#1) 单机测试 下载版本,解压 tar -xzf kafka_2.11-0.10.1.1.tgz cd kafka_2.11-0.10.1.1 启动服务 Kafka用到了Zoo ...
- Linux 入门笔记
一开始对linux总有些抵触,黑黑的命令框不知道如何下手,这次因为工作交接的缘故需要负责之前同事的Node后端部分,node,redis这些都是部署在Linux上的,看了几次运维的同学噼里啪啦的敲命令 ...
随机推荐
- ncnn 加载 bin文件时,出错 报异常 0xC0000094:Integer division by zero。
这次转yolov8.pt 到 onnx 到 ncnn,调用ncnn,加载bin文件时出错报异常 0xC0000094:Integer division by zero. 解决方式: 导出onnx时,加 ...
- Linux 查找并杀死进程
1.查找包含java的所有进程 ps -ef | grep java 2.根据端口号查看进程号 lsof -i:8080 sudo lsof -i:8080 3.杀死进程 kill -9 proces ...
- py正则与re模块
正则表达式符号介绍 按照博客中的表格罗列的去记即可 了解 \w,\s,\d与\W,\S,\D相反的匹配关系(对应的两者结合就是匹配全局) \t匹配制表符 \b匹配结尾的指定单词 优先掌握 ^:以什么什 ...
- mysql表关联更新
UPDATE enterprise_test t1, enterprise_development_relation t2 SET t1.development_area_id = t2.develo ...
- cudnn Backend API注意事项
一.在包含多个节点的图中,不支持in-place node.(如果图只包含一个节点,支持in-place node) Note that graphs with more than one opera ...
- J V M大概理解
jvm的大致流程:他把一个Class文件 通过类加载机制 装载到jvm里面,然后放到不同的运行时数据区(Runtime Data Areas),通过编译器来编译. 第一部分,我们可以关注class文件 ...
- 单个表空间文件个数达到上限 ORA-01686
# 问题概述因在oracle数据库表空间管理中的时候 报 ORA-01686: max # files (1023) reached for the tablespace GPRS SQL> a ...
- react backend uploadfile
public List<string> WriteFile(List<UploadDTO> uploads) { List<string> fileNames = ...
- Android studio学习笔记1
Android studio学习笔记1 20201303张奕博 2023.1.13 studio布局 1.线性布局 Android的线性布局不会换行,当组件一个挨着一个地排列到头之后,剩下的组件将不会 ...
- LaTex【八】latex公式不自动编号
latex使用 \begin{equation} 编辑公式时,会自动为公式进行编号 如果需要取消自动编号,只需要在公式后加上 \nonumber 命令即可 例子 \begin{equation} \b ...