UML异步怎么表达
直接看结果

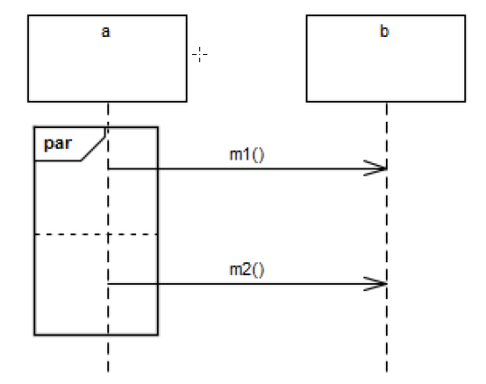
第一虚框和第二虚框是异步的。m1 和m2 没有任何先后关系。

第一虚框和第二虚框是异步的,两者没有任何先后关系。m3和m4是有先后关系的。m3()比m4()先执行。同样m5()和m6().
UML异步怎么表达的更多相关文章
- UML类图表达
什么是UML类图? 类图显示了一组类.接口.协作以及他们之间的关系.在UML中问题域最终要被逐步转化,通过类来建模,通过编程语言构建这些类从而实现系统.类加上他们之间的关系就构成了类图,类图中还可以包 ...
- UML建模之时序图
现在是二月,而且到如今你或许已经读到.或听到人们谈论UML 2.0 —— 包括若干进步的 UML 的新规范,所做的变化.考虑到新规范的重要性,我们也正在修改这个文章系列的基础,把我们的注意力从 OMG ...
- UML 序列图详解
现在是二月,而且到如今你或许已经读到.或听到人们谈论UML 2.0 —— 包括若干进步的 UML 的新规范,所做的变化.考虑到新规范的重要性,我们也正在修改这个文章系列的基础,把我们的注意力从 OMG ...
- uml和模式01
// */ // ]]> uml和模式01 1. UML 2. 用例图 3. 用例和类的关系 4. 类图 1 UML 模型语言(Modeling Language 检查ML)是一种设计语言,人们 ...
- [转载]UML类图总结
前言 类图和序列图是UML中最常用的两种Diagram.我将做详细的总结.在许多书中,或者网站中,在介绍一个系统的子系统的设计时,很多时候,都是给出简单的类图来简述构成子系统的类之间的关系.这足以说明 ...
- UML类图总结
前言 类图和序列图是UML中最常用的两种Diagram.我将做详细的总结.在许多书中,或者网站中,在介绍一个系统的子系统的设计时,很多时候,都是给出简单的类图来简述构成子系统的类之间的关系.这足以说明 ...
- 项目管理理论与实践(4)——UML应用(上)
本篇文章介绍UML的相关知识.参考<UML从入门到精通> 一.UML综述 1. UML简介 统一建模语言(UML)是一个通用的可视化建模语言,用于对软件进行描述.可视化处理.构造和建立软件 ...
- 一道笔试题和UML思想 ~
一句软件工程界的名言,让我想起了一个和一道笔试题有关的故事.希望更多的人了解 UML 背后的思想比他的语法更重要,是笔者写作本文的一点小愿望. 一.从一句软件工程名言说起 对很多事情的处理上,东西方都 ...
- 从零开始学架构(三)UML建模
文章大纲 1. 文章介绍 2. UML概述 3. 静态模型 4. 动态模型 5. UML建模的一般过程 一.文章介绍 1.1为什么学习UML (1)UML是一种软件架构的模型表现方法,用于项 ...
随机推荐
- 十. Python基础(10)--装饰器
十. Python基础(10)--装饰器 1 ● 装饰器 A decorator is a function that take a function as an argument and retur ...
- leetcode python 003
## 给定一个字符串,求其最长无重复的子字符串##给定“abcabcbb”,答案是“abc”,长度为3.##给定“bbbbb”,答案是“b”,长度为1.##鉴于“pwwkew”,答案是“wke”,长度 ...
- 7.6 C++基本序列式容器效率比较
参考:http://www.weixueyuan.net/view/6403.html 总结: 对于vector而言,它只是一个可以伸缩长度的数组 对于deque而言,它是一个可以操作头部和尾部的并且 ...
- BCM5396的SPI理解
参考文档链接:https://pan.baidu.com/s/1kuXJmULwtjOW1TeOuTRPQQ *时钟极性和相位 BCM538X / BCM5396用于根据以下标准发送/接收SPI数据: ...
- 对弈的Python学习笔记
#主要序列类型 str list tuple #列表 list ls=[1,2,3,4]#末尾追加ls.append(5) #添加多个,扩展ls.extend([5,6,7]) #在某个位置插入一个值 ...
- Problem B 字符串类(I)
封装一个字符串类,用于存储字符串和处理的相关功能,支持以下操作: 1. STR::STR()构造方法:创建一个空的字符串对象. 2. STR::STR(const char *)构造方法:创建一个字符 ...
- 牛客多校第四场 F Beautiful Garden
链接:https://www.nowcoder.com/acm/contest/142/F来源:牛客网 题目描述 There's a beautiful garden whose size is n ...
- zabbix 监控java通用
监控工具 jstat jstack http://www.blogjava.net/jjshcc/archive/2014/03/05/410655.html https://www.cnblogs. ...
- ChinaCock让Android App应用不锁屏
<meta-data android:name="keepScreenOn" android:value="true"> </meta-dat ...
- JS/JavaScript简介及基本常识
JavaScript (JS)以客户端事件为驱动的弱类型脚本语言 JS脚本一般写在<head>内部 流:文本流.html流 回避关键字的基本策略:单词合并(v_function) null ...