DP转LVDS方案 瑞奇达CS5211替代PS8625方案 CS5211芯片
PS8625将作为DP或eDP接收器设备出现在视频源中,并将作为LVDS显示面板的LVDS源设备。该设备是一个完全集成的解决方案,不需要外部CPU、内存、时钟基准或电压调节器。PS8625可配置为从显示器DDC通道或从连接到PS8625(提供I2C主机)的选件外部ROM读取EDID。外部ROM还可以包括配置代码,以定制设备操作和接口定时。PS8625提供显示面板上电顺序和背光控制,包括PWM生成。背光特性可通过使用eDPv1.2 DPCD控制寄存器的DP AUX信道上的视频源进行控制。或者,视频源可以将背光控制信号提供给PS8625,PS8625将其选通以进行面板通电排序,或者视频源可以绕过设备直接控制面板背光。
PS8625是一个显示端口到LVDS转换器设计的PC机,利用GPU和显示端口(DP) 或嵌入式显示端口(eDP) 输出和接受LVDS输入的显示面板。
PS8625主要特点
允许使用带DisplayPort的LVDS显示面板或eDP视频源设备
支持1920×1200@60Hz时24位色深
Parade的CrystalFree不需要外部水晶或时间参考技术
单台3.3V或2.5V低功耗电源,1920×400mW以下1200@60Hz时,每像素24位
双电源选项为I/O使用3.3V或2.5V,核心使用1.35V或1.2V
无固件操作,支持硬件引脚配置或初始代码配置
可选I2C主机,用于外部EEPROM初始代码加载和设备配置
芯片控制的可选I2C从接口
ESD:HBM 8kV at连接器引脚
台湾瑞奇达在2020年最新开发出一款CS5211,不管在性能和功能设计方面都是可以替代PS8625,下面详细讲解一下CS5211的功能和特性。
CS5211是一种桥接芯片,可将eDP输入转换为LVDS信号。CS5211的高级接收器支持嵌入式显示端口(eDP)1.1规范。该设备将解码RGB格式的高速eDP的交流耦合差分信号,并驱动与LVDS接口集成的TFT面板。内置LVDS发射机配备灵活的OpenLDI/SPWG位映射,能够驱动单端口或双端口(18/24位)LVDS面板。CS5211的LVDS输出可以配置为支持高达1920x1200分辨率,刷新率为60赫兹。此外,CS5211还具有背光逆变器控制、亮度调节、图像抖动算法和EMI抑制机制等增强显示功能,有利于系统制造商。
CS5211配置为eDP到LVDS转换器;LVDS发送器支持单端口18位、单端口24位、双端口18位和双端口24位传输,并支持OpenLDI和SPWG位映射。
S5211 LVDS发射机支持单端口和双端口模式。CS5211支持的最大分辨率是WUXGA(1920x1200)。CS5211有4个配置引脚,可支持16种不同的组合一个EEPROM图像的面板分辨率和LVDS工作模式。此外,还提供了一个简便的工具来编辑、生成和更新EEPROM图像以供定制配置。
通过优化设计,使用CS5211有利于节约BoM成本。该芯片集成了时钟源,节省了外接晶体,支持宽范围电源(核心功率为1.8~1.2V),节省了车载电源设备,CS5211的总功率小于300mW,简化了供电网络设计。很容易将CS5211集成到流行的低成本显示系统中。
S5211特性
总述
支持18位单端口、18位双端口、24位单端口和24位双端口LVDS输出
支持LVDS应用程序的OpenLDI和SPWG位映射
内置振荡器,不需要外部晶体
嵌入式线性压降调节器(LDO)
片上MCU
通过GPIO引脚控制选择支持面板
开机后自动加载引导ROM
通过I2C总线或辅助通道更新串行引导ROM数据
自动芯片电源模式控制。
eDP和LVD的EMI降低
广泛的核心功率范围从1.8V到1.2V。
QFN68封装。
HBM 4KV
DP接收器
符合嵌入式显示端口(eDP)规范1.2
以1.62Gbps或2.7Gbps链路速率支持1个或2个主链路通道。
以RGB格式输入每像素18/24位的颜色深度。
支持增强的帧模式。
支持VESA和CEA定时标准,分辨率高达1920x1200,60Hz,每像素24位模式。
支持动态刷新率切换。
支持快速链接培训和全链接培训。
支持eDP认证:可选加扰种子重置和可选帧。
支持HPD中断。
LVDS输出
支持18位单端口、18位双端口、24位单端口和24位双端口LVDS输出接口。
支持LVDS应用程序的OpenLDI和SPWG位映射。
当输入视频未准备好时,保持LVDS输出。
灵活的LVDS输出引脚交换。
可编程摆动/共模电压。
输出转换率控制,以减少电磁干扰。
视频处理
支持伽马校正。
支持抖动和6位+FRC。
支持动态背光控制。
面板和背光控制
可编程LCD面板电源顺序
支持2种PWM模式,包括背光亮度电平控制PWM引脚和BLUP/BLDN引脚
CS5211与PS8625各种参数对比如下表所示:
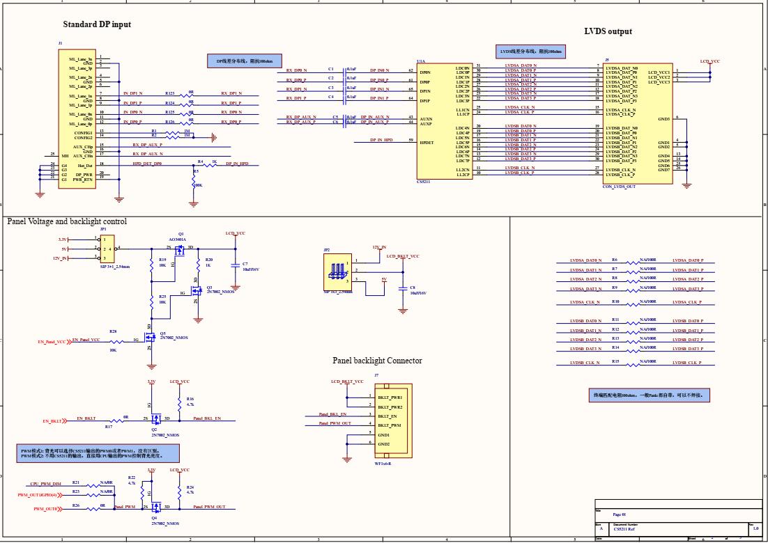
CS5211替代PS8625设计DP转LVDS方案转接板如下:

CS5211替代PS8625设计DP转LVDS方案原理图:


DP转LVDS方案 瑞奇达CS5211替代PS8625方案 CS5211芯片的更多相关文章
- EDP转LVDS屏转接线或者转接板方案|CS5211替代PS8625|PS8622|CS5211
PS8625 (DP至LVDS)是一款DisplayPort到LVDS转换器方案芯片, 可实现双通道DP输入,双链路LVDS输出.同时PS8625是一个显示端口到LVDS转换器设计的PC机,利用GPU ...
- CS5211替代PS8625|设计DP转LVDS转接板|替代PS8625方案
1.CS5211与PS8625功能概述 CS5211是一个eDP到LVDS转换器,配置灵活,适用于低成本显示系统.CS5211与eDP 1.2兼容,支持1通道和2通道模式,每通道速度为1.62Gbps ...
- CS5211替代PS8625|设计EDP转LVDS转接屏方案|替代PS8625
PS8625将作为DP或eDP接收器设备出现在视频源中,并将作为LVDS显示面板的LVDS源设备.该设备是一个完全集成的解决方案,不需要外部CPU.内存.时钟基准或电压调节器.PS8625可配置为从显 ...
- CS5211替代兼容PS8625|DP转LVDS|CS5211设计方案详解
PS8625是一个DP显示端口 到LVDS转换器芯片,利用GPU和显示端口(DP) 或嵌入式显示端口(eDP) 输出和接受LVDS输入的显示面板.PS8625实现双通道DP输入,双链路LVDS输出.P ...
- CS5211与PS8625参数差异|CS5211完全兼容PS8625|普瑞PS8625替代
PS8625是一个DP显示端口 到LVDS转换器芯片,利用GPU和显示端口(DP) 或嵌入式显示端口(eDP) 输出和接受LVDS输入的显示面板.PS8625实现双通道DP输入,双链路LVDS输出.P ...
- PS8625替代方案CS5211|CS5211可以替代兼容PS8625方案|DP转LVDS芯片方案
PS8625|Parade普瑞 PS8625|Parade普瑞 PS8625芯片|Parade普瑞 PS8625方案|Parade普瑞 PS8625芯片代理|DP转LVDS|PS8625替代方案CS5 ...
- CS5211替代LT7211 DP转LVDS芯片方案 替代龙迅LT7211方案
LT7211是一种用于虚拟现实/显示应用的高性能C/DP1.2至LVDS芯片方案.LT7211支持DP1.2输入,LT7211可以配置为1.2.4车道,还支持车道交换功能.自适应均衡使其适用于长电缆应 ...
- CS5211替代CH7511B|DP转LVDS控制板|替代CH7511B设计电路方案
CS5211性能和参数可以替代CH7511B,PS8622,PS8625,LT7211等方案,用于设计DP转LVDS转换器,DP转LVDS控制板,DP转LVDS转接板等产品设计. CS5211是一个e ...
- CS5211设计EDP转LVDSA转接屏|替代LT7211|DP转LVDS屏驱动 转接板
LT7211是一种用于虚拟现实/显示应用的高性能C/DP1.2至LVDS芯片. 对于DP1.2输入,LT7211可以配置为1.2.4车道,还支持车道交换功能.自适应均衡使其适用于长电缆应用,最大带宽可 ...
随机推荐
- 如何启动、关闭和设置ubuntu防火墙 (转载)
引自:http://www.cnblogs.com/jiangyao/archive/2010/05/19/1738909.html 由于LInux原始的防火墙工具iptables过于繁琐,所以ubu ...
- 循环队列/顺序队列(C++)
队列(queue)是一种限定存取位置的线性变.他允许在表的一端插入,在另一端删除.这个和计算机调度策略中的先来先服务FCFS(First Come/First Served)是一样的.队列中可以插入的 ...
- UIImageView总结
UIImageView UIKit框架提供了非常多的UI控件,但并不是每一个都很常用,有些控件可能1年内都用不上,有些控件天天用,比如UIButton.UILabel.UIImageView.UITa ...
- redis实例cpu占用率过高问题优化
目录 一.简介 一.简介 前情提要: 最近接了大数据项目的postgresql运维,刚接过来他们的报表系统就出现高峰期访问不了的问题,报表涉及实时数据和离线数据,离线读pg,实时读redis.然后自然 ...
- Explain的详细使用
官方文档 https://dev.mysql.com/doc/refman/5.7/en/explain-output.html explain俩种类型 explain extended 会在 exp ...
- LightningChart .NET v.10.2.1已经发布了!
LightningChart .NET v.10.2.1已经发布了! 了解更多关于兼容性和优化方面的最新改进. 主要改进 我们很高兴地宣布LightningChart .NET产品系列的第三个主要版本 ...
- 【教程】OBS直播推流教程(Windows & macOS)
OBS Open Broadcaster Software | OBS (obsproject.com) Windows直播推流教程 Windows下OBS直播推流非常简单,本教程将会介绍,具体步骤如 ...
- 【论文笔记】 Denoising Implicit Feedback for Recommendation
Denoising Implicit Feedback for Recommendation Authors: 王文杰,冯福利,何向南,聂礼强,蔡达成 WSDM'21 新加坡国立大学,中国科学技术大学 ...
- 添加备注信息(Project)
<Project2016 企业项目管理实践>张会斌 董方好 编著 就在任务信息的[高级]选项卡隔壁,还有一个[备注]选项卡,可别拿备注不当回事,因为任务名称的字数不能太多. 好吧,张同学也 ...
- 金山云 KS3 Python SDK 多线程并发上传文件;下载断点续传 参考脚本
并发上传 基于py自带模块 concurrent.futures import ThreadPoolExecutor #!/usr/bin/env python3 # -*- coding:utf-8 ...