CC Debugger调试下载接口
|
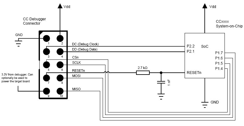
调试下载接口:
IAR Embedded Workbench For C8051、SmartRF Flash Programmer、SmartRF Studio环境下的连接:
Note1: Note2: SmartRF Packet Sniffer环境下的连接: |
CC Debugger调试下载接口的更多相关文章
- 〖Linux〗zigbee实验之cc2430的cc debugger固件升级实录
开发环境:Windows XP 1. (Trouble)一开始,使用IAR提示此设备不可使用(意味着无法下载程序): 2. (Search)通过一番的仔细查找,发现是cc debugger的Evalu ...
- 使用soapUI5.3.0调试webservice接口(参数为XML格式)
最近项目中经常要调试webservice接口,从朋友处了解到他们经常使用SoapUI,因此学习一下这个工具的使用,为避免遗忘,特地记录下来,分享分享... 下载 #####首先,下载SoapUI,我下 ...
- 如何调试webservice接口是否正常
soapui 调试webservice接口 1首先iis 部署网站 2添加webservice 3附加到进程调试 找w开头的 4然后request填充数据
- Jmeter之模拟文件上传、下载接口操作
上周群里有位同学,问我用jmeter怎么上传文件?因好久没用jmeter了,顺便自己也复习下,现整理出来和大家分享 一.准备工作: 上传接口一个(自行开发解决了) 下载接口 ps:没有困难创造困难也要 ...
- 给安卓端调用的apk、图片下载接口
package com.js.ai.modules.pointwall.action; import java.io.File; import java.io.FileInputStream; imp ...
- springmvc下载一个文档下载接口里的文档
A提供了一个文件下载的接口,在调用的时候可以直接在前端用a标签来调用 <a href="http://" target="_blank">下载< ...
- Python接口自动化——文件上传/下载接口
〇.前言 文件上传/下载接口与普通接口类似,但是有细微的区别. 如果需要发送文件到服务器,例如:上传文档.图片.视频等,就需要发送二进制数据,上传文件一般使用的都是 Content-Type: mul ...
- ubuntu zend-eclipse-php debugger调试
1 下载zendDebugger http://www.zend.com/en/products/studio/downloads?src=downloadb 在这个页面中找到zend debugge ...
- 调试node接口
从node服务端到浏览器端,调试node脚本,验证接口功能是否正常. 一.温故知新 https://www.cnblogs.com/camille666/p/nodejs_server.html ht ...
随机推荐
- php生成二维码的插件phpqrcode
参考网址: http://www.thinkphp.cn/topic/7749.html http://blog.csdn.net/stxyc/article/details/44650971 php ...
- Android 编程下 Using ViewPager for Screen Slides
(参考官方文档:Using ViewPager for Screen Slides | Android Developers)
- BZOJ3067 : Hyperdrome
设f[i][j]表示前i个字母中字母j出现的次数对2取模的结果. 若[l,r]经过重组可以形成回文串,则需满足f[l-1][j]与f[r][j]至多有1位不同. 将f[i]用一个long long表示 ...
- BZOJ3672 : [Noi2014]购票
设d[i]表示i到1的距离 f[i]=w[i]+min(f[j]+(d[i]-d[j])*v[i])=w[i]+d[i]*v[i]+min(-d[j]*v[i]+f[j]) 对这棵树进行点分治,每次递 ...
- 有关g++编译调试的问题
打了个指针版的treap,想用gdb调试,用gcc -g ×××.cpp -o a 时却报错了——直接用gcc编译却不会报错,提示:对‘operator new(unsigned int)’未定义的引 ...
- 关于 Xcode bitcode 错误
关于 bitcode 报错 有类似上图关于bitcode的错误用以下方法解决:
- String, StringBuffer, StringBuilder(转载)
http://blog.csdn.net/rmn190/article/details/1492013 String 字符串常量StringBuffer 字符串变量(线程安全)StringBuilde ...
- python3环境搭建(CentOS7.2)
安装python3(自动安装pip3):yum install openssl-devel bzip2-devel expat-devel gdbm-devel readline-devel sqli ...
- 记sql语句空格带来的问题
在做分页的时候,引用了一个分页类.在一条sql语句出发生错误,没查出数据,代码如下 $sql="select * from sw_goods".$page->limit; 正 ...
- mysql 商品表的设计思路(面向对象建表:类与对象)
学习地址 http://www.jtthink.com/course/play/352 商品通用信息主表:prop_main 不仔细多说,正常业务都会涉及到并且考虑的相对周全.常用字段[商品id][商 ...


