现有各种SSTC电路图,欢迎补充,研究,开发
 496464505 2016-3-1 16:01:55
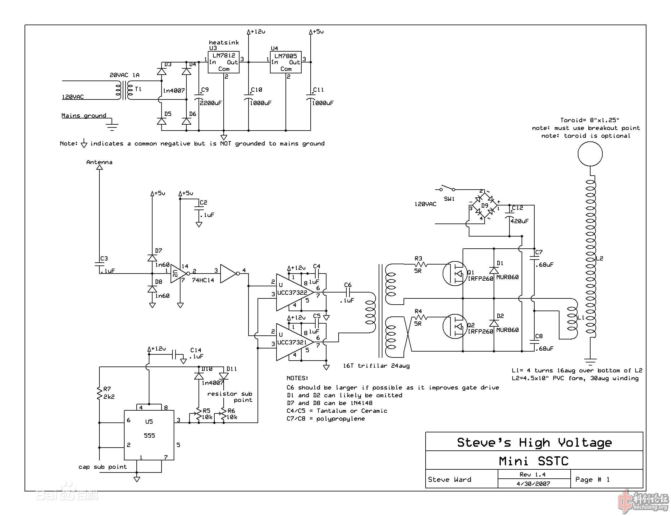
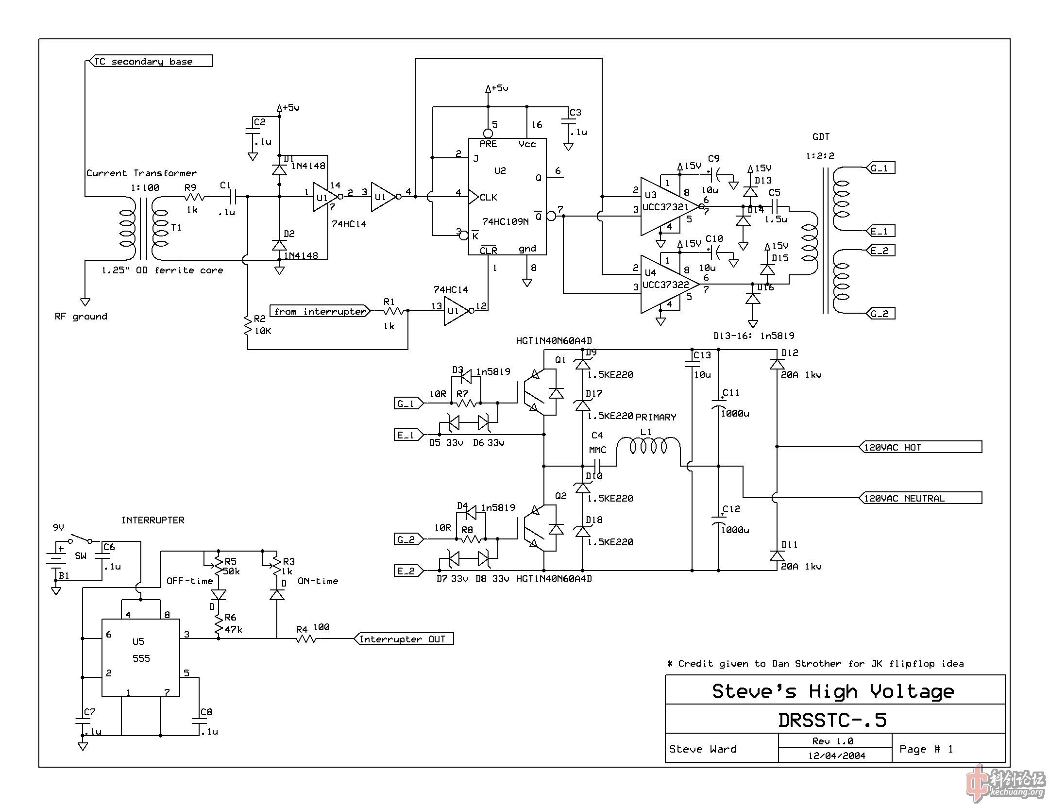
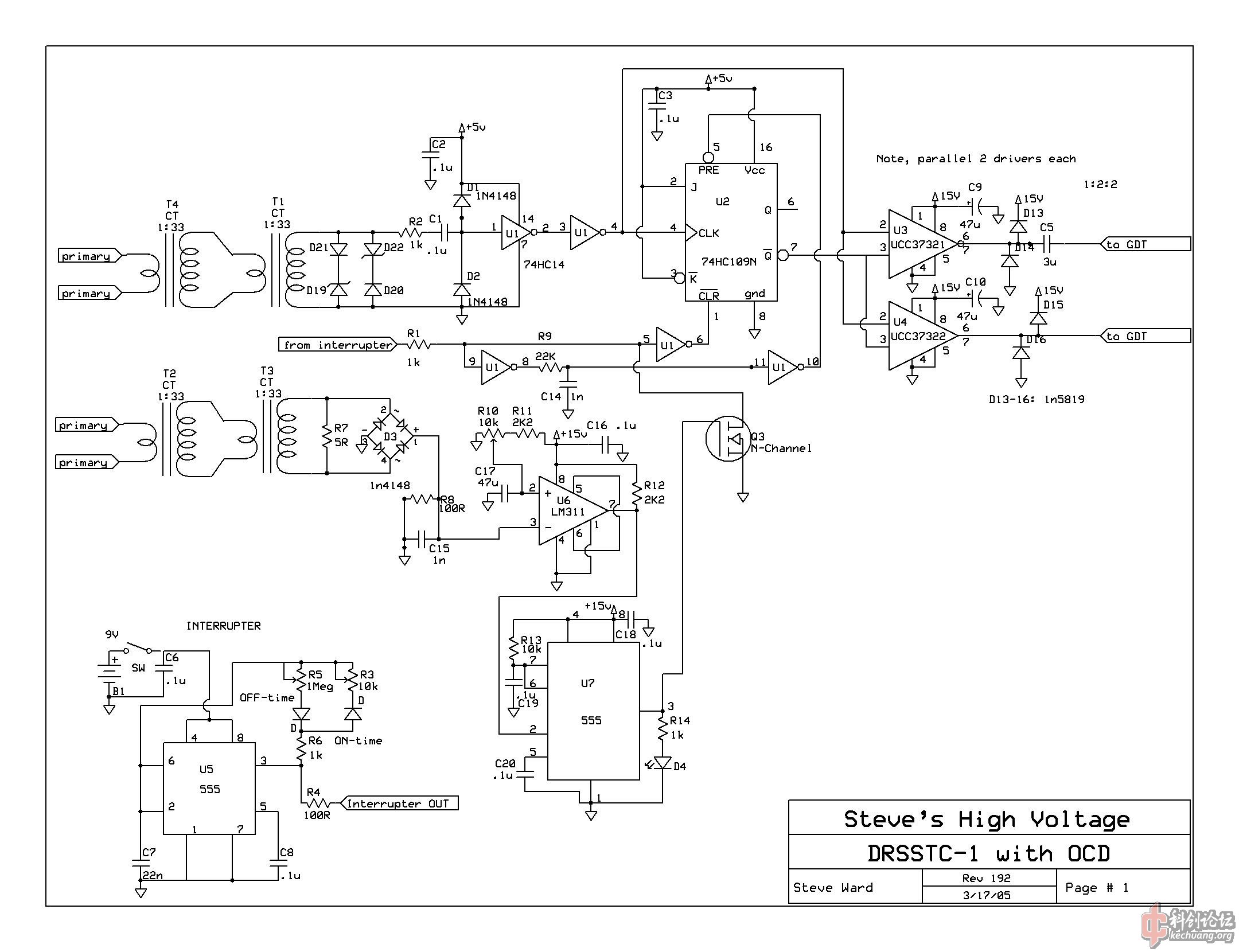
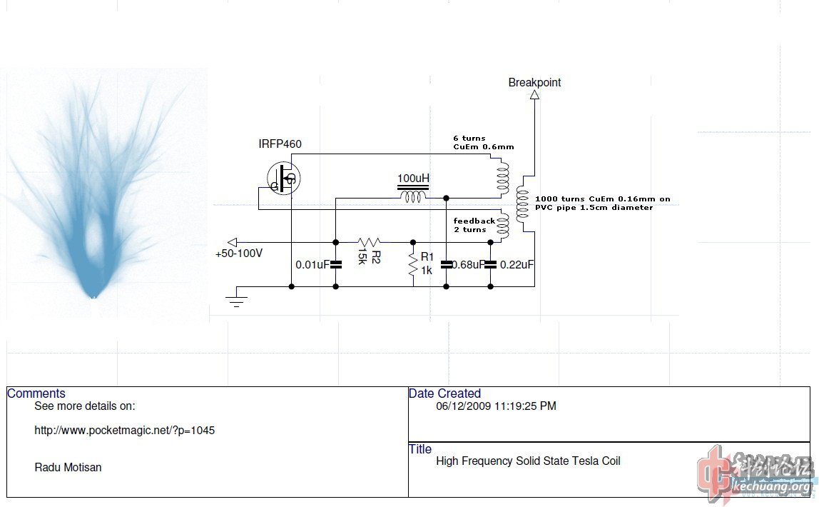
现在的各种SSTC基本都是这些图

 
2016-3-3 19:28:23
1楼
 
 
0
 
 
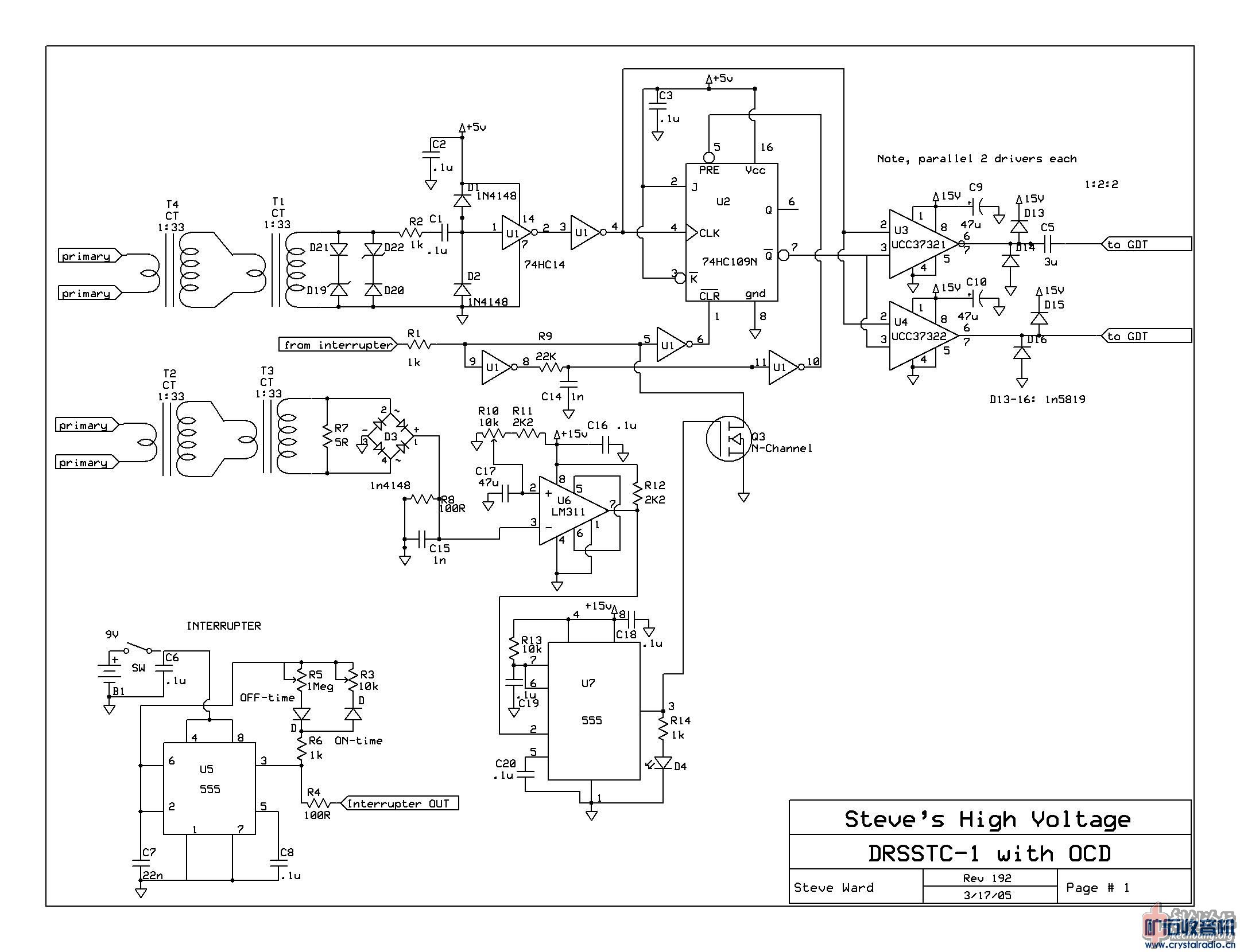
请教下楼主,第九个图 2.7B版本驱动中  那个PHASE  是个移相的吗   是个什么元件   可举个具体的元件名称吗
2楼
 
 
0
 
 

引用 comter2001:
请教下楼主,第九个图 2.7B版本驱动中  那个PHASE  是个移相的吗   是个什么元件   可举个具体的元件名称吗

那个是相位切换的开关,如果因为反馈的相位问题不能启动DRSSTC,就用它切换一下相位。实际元件可以是双刀双掷的开关,也可以是插针,用跳线帽切换。

496464505(作者)
3楼
 
 
0
 
 
双联开关,插针跳线帽都行的
4楼
 
 
0
 
 
[s::(] 我好白啊
2016-3-4 22:25:23
5楼
 
 
0
 
 
还有2处不太懂  劳烦你解释下; 还是第九张图,
第1问;2412T 和IF-D95 两者功能都是 灭弧输入 是2选一吗
  2问    反馈输入端的71K1-2-4  看不清楚啊   是可调电感吗  数值是多少的  想做个仿真
496464505(作者)
6楼
 
 
0
 
 
2412T是接受光纤头,71K1-2-4那个是可调电感,电路图只是研究用的,建议去 找山猫哥买第九图的线路板空板,优化过了,不需要那个可调电感的,输出一样暴力的,
2016-3-15 12:47:42
7楼
 
 
0
 
 
1.最简单好用的特斯拉高压线圈驱动,用日光灯的电子整流器原理图,取消原输出用的谐振电感与电容,用隔离变压器电源供电,电源负极接外部地线,输出加一个隔直流的1.0uF/400V聚丙烯电容后直接驱动高压线圈!

2.另外在高压线圈与接地两端间串联一组LC辅助谐振回路七成(辅助谐振回路的谐振频率与特斯拉高压线圈的谐振频率相同),中间串联个220V5W的钨丝灯泡,钨丝灯泡在冷时电阻比点亮发热时的电阻小10倍以上;

3.利用辅助谐振回路使电路自激后产生的方波驱动特斯拉高压谐振线圈,当特斯拉高压谐振线圈的谐振逐渐加强后流向特斯拉高压谐振回路的电流逐渐增大,而辅助谐振回路因灯泡点亮后电阻增大10倍,电流减小,谐振回路主频率自动调整到特斯拉高压谐振线圈的谐振频率.

4.因是自激振荡电路会自动追频,取消了初级线圈及初级谐振电容后具有效率高且高速自动追频的优点,成本也低,要注意的是必须要使用隔离电源及必须接大地

 

想参与大家的讨论?现在就 登录 或者 注册

现有各种SSTC电路图,欢迎补充,研究,开发的更多相关文章

  1. E8.Net 工作流二次开发架构平台

    一.          产品简介 E8.Net工作流开发架构是基于微软.Net技术架构的工作流中间件产品,是国内商业流程管理(BPM)领域在.Net平台上的领先产品,是快速搭建流程管理解决方案的二次开 ...

  2. Visual Studio Code 远程开发探秘

    摘要: IDE新时代! 作者:SHUHARI 的博客 原文:Visual Studio Code 远程开发探秘 Fundebug按照原文要求转载,版权归原作者所有. 在以前的文章 有趣的项目 - 在浏 ...

  3. 关于tcc、tlink的编译链接机制的研究

    1.学习过程 在c:\下建立文件夹c,并将编译器tcc.exe.连接器tlink.exe.相关文件c0s.obj.cs.lib.emu.lib.maths.lib放入文件夹中. 要搭建一个简单的C语言 ...

  4. 不可或缺的企业OA面临问题,以及解决建议 软件定制开发 森普演示平台

    ---恢复内容开始--- 随着信息时代的来临,企业管理也相应的信息化,各种管理软件相继而出,各行各业的信息化有过成功,也有过失败(注:是以该项目是否达到用户的预期目标而言).据统计在信息化失败的案例中 ...

  5. JAVAScript:前端模块化开发

    目录 一:前端模块化概要 1.1.模块化概要 1.2.函数封装 1.3.对象封装 1.4.立即执行函数表达式(IIFE) 1.5.模块化规范 1.5.1.CommonJS 1.5.2.AMD((Asy ...

  6. JavaScript学习总结(六)——前端模块化开发

    早期的javascript版本没有块级作用域.没有类.没有包.也没有模块,这样会带来一些问题,如复用.依赖.冲突.代码组织混乱等,随着前端的膨胀,模块化显得非常迫切. 前端模块化规范如下: 一.前端模 ...

  7. 一个WEB应用的开发流程

    转载:http://www.51testing.com/html/56/n-3721856.html 先说项目开发过程中团队人员的分工协作. 一.人员安排 毕业至今的大部分项目都是独立完成,虽然也有和 ...

  8. KDD 2018 | 最佳论文:首个面向Facebook、arXiv网络图类的对抗攻击研究

    8 月 19 日至 23 日,数据挖掘顶会 KDD 2018 在英国伦敦举行,昨日大会公布了最佳论文等奖项.最佳论文来自慕尼黑工业大学的研究者,他们提出了针对图深度学习模型的对抗攻击方法,是首个在属性 ...

  9. 从开发的角度对zigbee安全的杂谈

    说起zigbee应该很少人听过,这个B名字怪怪的... 以前开发不懂开发的思想,前前后后花了很久时间,现在回想起来,突然想从安全的角度来理解数据的传输 废话:伴随科技的快速演进,物联网(The Int ...

随机推荐

  1. Salesforce服务云简介

    服务云简介 Salesforce的服务云(Service Cloud)是专注于客服和呼叫中心解决方案的子系统.它是Salesforce核心CRM系统的一部分. 服务云特性 服务云提供了客户服务和呼叫中 ...

  2. 《Attention is All You Need》浅读(简介+代码)

    2017年中,有两篇类似同时也是笔者非常欣赏的论文,分别是FaceBook的<Convolutional Sequence to Sequence Learning>和Google的< ...

  3. SoapUI 访问代理设置

    SoapUI 访问代理设置 by:授客 QQ:1033553122 问题描述: 运行SoapUI时,发现接口访问不通,如下图,提示"Connection to http://127.0.0. ...

  4. recovery log直接输出到串口

    我们在调试recovery升级的时候,我们经常需要查看recovery的log,google的原始逻辑中,recovery的log并非直接输出到串口,我们需要输入命令才能获取,我们有三种方式: 第一种 ...

  5. 故障小记录:yum 安装报错File "/usr/bin/yum", line 30 except KeyboardInterrupt, e:

    发生原因: 由于yum是基于python的,之前安装我python3,当我修改了python命令的指向到python3之后就会发生这样的问题. 解决办法: 由于我当初想到可能以后还需要python2, ...

  6. python写一个双色球彩票计算器

    首先声明,赌博一定不是什么好事,也完全没有意义,不要指望用彩票发财.之所以写这个,其实是用来练手的,可以参考这个来预测一些其他的东西,意在抛砖引玉. 啰嗦完了,马上开始,先上伪代码 打开网址 读取内容 ...

  7. jQuery搜索框自动补全功能插件实现-autocomplete.js

    最近用nodeclub实现股票的输入关键字自动补全股票信息进行搜索功能,原先用jQuery-ui,结果jQuery-ui库太大,所以考虑用其他插件,最终选择使用autocomplete.js,控件简单 ...

  8. windows 2003 IIS 设置 FTP被动模式

    IIS FTP 将21端口更改为xx123端口: 更改数据端口: cd c:/Inetpub/AdminScripts cscript.exe adsutil.vbs set /MSFTPSVC/Pa ...

  9. 【Beta Scrum】冲刺! 3/5

    1. 今日完成情况 人员 学号 分工 是否完成 完成情况 胡武成 031502610 完成登录注册api,协助web端完成api N SDN课程实践加上课缘故,仅仅写完了登录注册的逻辑判断内容,但是短 ...

  10. <table>标签总结(colspan跨列 ,rowspan跨行)

    table标签有些内置属性要设置: <table cellpadding="0" cellspacing="0" border="0" ...