SciTech-EECS-Power-SPS开关电源常用拓扑: Buck/Boost/Buck-Boost/Pull-Push/正激/Flyback反激/全桥/半桥
SciTech-EECS-Power-SPS开关电源常用拓扑:
[导读]
拓扑(电路拓扑): 是 "功率器件(常用 二极管+BJT/FET/IGBT/SCR)" 和 "电磁元件(电感/变压器)" 在电路的连接方式,
而 磁性元件设计,闭环补偿电路设计 及其他所有电路元件设计都取决于拓扑。正激 VS 反激:
正激 是 开关管 导通时 Vout 有电流。
反激 是 开关管 截止时 Vout 有电流。开关管 导通时 只为储能元件(例如电感 或 变压器初级侧)储能。SPS最基本的拓扑:
- Buck(降压式)、Boost(升压式) 和 Buck/Boost(升/降压),
- Pull-Push(推挽)、正激、单端反激(隔离反激),
- 半桥 和 全桥 变化器。
SPS的常用拓扑结构:
常见拓扑大约有14种,每种都有其特点和适用场合。
因此,熟悉各种不同拓扑的优缺点及适用范围,才能恰当选择拓扑。选择原则是:- 大功率还是小功率,
- 高压输出还是低压输出,
- 是否要求器件尽量少
- 其他。
整理汇总20种基本拓扑,帮助系统掌握每种电路结构的工作原理与基本特性。
下面简单介绍一下常用的开关电源拓扑结构。
开关电源常用拓扑
Buck/Boost/Buck-Boost/Pull-Push/正激/Flyback反激/全桥/半桥
非隔离(输入输出共地GND)只输出一路电压
Buck和Boost电路,都是输出与输入共地,在电路上没有隔离。
- Buck电路
Buck电路也称“降压(step-down)变换器”。电路图如下:
晶体管,二极管,电感,电容和负载构成主环路,
下方的控制环路一般采用PWM(脉冲宽度调制)芯片控制Duty(占空比)决定晶体管的通断。
Buck电路的功能是把直流电压Ui转换成直流电压Uo,实现降压目的。
![]()
- Boost电路
Boost(升压)电路是最基本的反激变换器。
Boost变换器又称为升压变换器、并联开关电路、三端开关型升压稳压器。
Boost电路是一个升压电路,它的输出电压高于输入电压。
![]()
- Buck-Boost变换器
Buck-Boost变换器:也叫做升降压式变换器,
输出电压既可低于也可高于输入电压的单管不隔离直流变换器,
但它的输出电压的极性与输入电压相反。
Buck-Boost变换器可以看做是Buck变换器和Boost变换器串联而成,合并了开关管。
![]()
输入与输出隔离(用变压器)的能输出多路相互隔离的独立电压
采用变压器后,输出与输入电气隔离,可以多路输出(相互独立)。
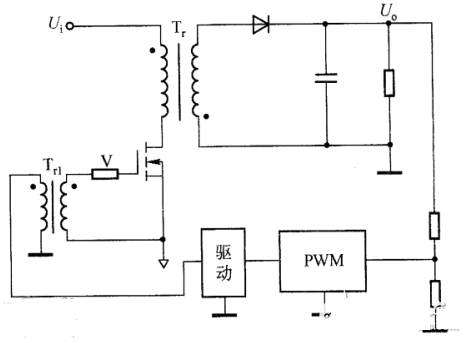
FLY BACK(反激变)换器
应用最多的是单端反激式开关电源。
指使用反激高频变压器 隔离输入 输出环路的开关电源,
与之对应的有正激式开关电源。
![]()
反激(FLY BACK),是指:
- 当开关管接通时,输出变压器充当电感,电能转化为磁能,输出环路无电流;
- 当开关管关断时,输出变压器释放能量,磁能转化为电能,输出环路有电流。
反激式开关电源,输出变压器 同时 充当储能电感,
整个电源体积小、结构简单,所以得到广泛应用。- 优点:元器件少、电路简单、成本低、体积小,可同时输出多路互相隔离的电压;
- 缺点:开关管承受电压高,输出变压器利用率低,不适合做大功率电源。
反激变换器
是隔离变换器中最简单的一种。
它分为两种工作模式,断续模式反激变换器 和 连续模式反激变换器。
隔离变压器起到的作用就是变压和储能电感的作用。
![]()
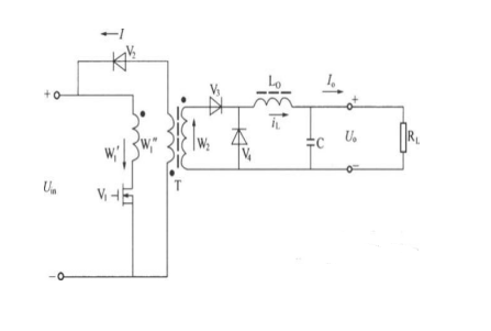
正激变换器
晶体管导通时,将能量传递给负载,截止时靠输出级LC电路维持的变换器成为正激变换器。
它有单端正激和双端正激变换器等多种模式。- 单端正激变换器
单端正激变压器又称“buck”转换器。
因其在原边绕组接通电源Vi的同时把能量传递到输出端而得名。
![]()
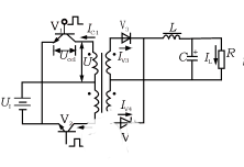
- 双端正激变换器
双端正激也称为非对称桥,由两个功率管和与两个二极管组成电桥,
但只有功率管可控导通,变压器单向磁化,没有桥式电路的桥臂直通问题,因此抗干扰能力强。
![]()
- 单端正激变换器
推挽变换器
这种电路结构的特点是:对称性结构,
脉冲变压器原边是两个对称线圈,两只开关管接成对称关系,轮流通断,
工作过程类似于 "线性放大电路" 的 "乙类推挽功率放大器"。
![]()
半桥式功率电路
当S1和S2轮流导通时,一次侧将通过 "电源-S1-T-C2-电源" 及 "电源-C1-T-S2-电源" 产生交变电流,从而在二次侧产生交变的脉动电流,经过全波整流转换为直流信号,再经L、C滤波,送给负载。这个电路也相当于降压式拓扑结构。
![]()
全桥功率电路
全桥功率变换器适用于大功率、高电压场合,它的电路图如下:
![]()
应用
Buck电路
- Buck电路是降压变换器,它主要应用于低压大电流领域,目的为解决续流管的导通变换效率问题。
采用一般的二极管续流,其导通电阻较大,应用在大电流场合时,变换效率低。 - 用导通电阻非常小的MOS管代替二极管,可以解决变换效率问题,
但同时对驱动电路提出了更高的要求。 - 对Buck电路应用同步整流技术,用MOS管代替二极管后,电路从拓扑上整合了Buck和Boost两种变换器,为实现双向DC/DC变换提供可能。在需要单向升降压且能量可以双向流动的场合,很有应用价值,如应用于混合动力电动汽车时,辅以三相可控全桥电路,可以实现蓄电池的充放电。
- Buck电路是降压变换器,它主要应用于低压大电流领域,目的为解决续流管的导通变换效率问题。
反激变换器
- Boost电路
实际应用经常会涉及到升压电路的设计,对于较大的功率输出,如70W以上的DC/DC升压电路,由于专用升压芯片内部开关管的限制,难于做到大功率升压变换,而且芯片的价格昂贵,在实际应用时受到很大限制。
Boost升压结构外接开关管选择余地很大,选择合适的控制芯片,便可设计出大功率输出的DC/DC升压电路。 - Buck-Boost变换器
基本的非隔离和隔离Buck-Boost型变换器以其电路拓扑简洁,输入电压范围高,可升降压,负载短路时可靠性高等优点,广泛应用于中小功率DC/DC变换场合。
- Boost电路
正激变换器
- 双端正激变换器
克服了正激变换器中开关电压应力高的缺点,每个开关管只需承受输入直流电压,不需要采用特殊的磁复位电路就可以保证变压器的可靠磁复位。
它的每一个桥臂都是由一个二极管与一个开关管串联组成,不存在桥臂直通的危险,可靠性高。
因此双端正激变换器具有其他变换器无法比拟的优点,成为目前中大功率变换器中应用最多的拓扑之一。 - 推挽变换器
是变换器中最早应用的拓扑,而且目前还在广泛应用于DC/DC变换器和DC/AC逆变器。
它的输出可以高于或低于输入直流电压。
闭环的主输出在电网和负载变化时可以维持输出稳定,从输出可以很好地对电网变化进行调节。 - 半桥式功率电路
半桥变换器初级绕组电压仅为输入电压的一般,如果与推挽相同输出功率,初级电流比推挽大一倍,则需要更大电流定额的功率管。
半桥变换器适用于输入电压较高且中等输出功率的场合,因为功率管上的电压定额理想时是输入直流电压。 - 全桥功率电路
全桥功率变换器适用于大功率、高电压场合。
上面曾经指出,在半桥功率变换电路工作的功率晶体管,承受的最高电压比推挽变换电路工作的晶体管减了1/2。但是,如果输出功率要求相同,晶体管的工作电流将增大。
全桥功率变换则是一种既能保持半桥电路功率开关器件承压低,又有推挽电路电流载流小特点的大功率变换电路。
- 双端正激变换器
SciTech-EECS-Power-SPS开关电源常用拓扑: Buck/Boost/Buck-Boost/Pull-Push/正激/Flyback反激/全桥/半桥的更多相关文章
- 开关电源(1)之BUCK降压变换器工作原理及Multisim实例仿真
开关电源(Switching Mode Power Supply)即开关稳压电源,是相对于线性稳压电源的一种的新型稳压电源电路,它通过对输出电压实时监测并动态控制开关管导通与断开的时间比值来稳定 ...
- 笔记本POWER部分的应用——(MOS/LDO/BUCK BOOST)
一.MOSFET 简介: 金属-氧化物半导体场效应晶体管,简称金氧半场效晶体管(Metal-Oxide-Semiconductor Field-Effect Transistor, MOSFET)是一 ...
- power designer 一般常用快捷键(转)
一般快捷键 快捷键 说明 F4 打开检查模型窗口,检查模型 F5 如果图窗口内的图改变过大小,恢复为原有大小即正常大小 F6 放大图窗口内的图 F7 缩小图窗口内的图 F8 在图窗口内中查看全部图内容 ...
- 开关电源PCB设计中的布线技巧
开关电源PCB设计中的布线技巧关键字:布线 开关电源 走线 一.引言 开关电源是一种电压转换电路,主要的工作内容是升压和降压,广泛应用于现代电子产品.因为开关三极管总是工作在 “开” 和“关” 的状态 ...
- [Fundamental of Power Electronics]-PART II-7. 交流等效电路建模-7.2 基本交流建模方法
7.2 基本交流建模方法 在本节中,PWM变换器的交流小信号模型导出步骤将被推导和解释.关键步骤是:(a)利用小纹波近似的动态版本,建立了与电感和电容波形的低频平均值相关的方程式,(b)平均方程的扰动 ...
- [Fundamental of Power Electronics]-PART II-7. 交流等效电路建模-7.4 规范电路模型
7.4 规范电路模型 在讨论了推导开关变换器交流等效电路模型的几种方法后,让我们先停下来,说明下这些结果.所有的在 CCM下以PWM工作的DC-DC变换器都具有相似的基本功能.首先,他们在理想情况下, ...
- 为什么PMOS比NMOS的沟道导通电阻大,速度慢,价格高-透彻详解
原文地址点击这里: 在前一节,我们对PMOS与NMOS两种增强型场效应管的开关电路作了详细的介绍, 并且还提到过一种广为流传的说法:相对于NMOS管,PMOS管的沟道导通电阻更大.速度更慢.成本更高等 ...
- AC/DC 反激 (Flyback) 控制器
AC/DC 反激控制器 (Flyback Controller) 用于将交流电转换为稳定.隔离的直流电以供给应用系统.交流电首先需整流为高压的直流电.返驰控制器的工作原理类似一个升-降压控制器 (Bu ...
- 干货|工作中要使用Git,看这篇文章就够了
本文将从 Git 入门到进阶.由浅入深,从常用命令.分支管理.提交规范.vim 基本操作.进阶命令.冲突预防.冲突处理等多方面展开,足以轻松应对工作中遇到的各种疑难杂症,如果觉得有所帮助,还望看官高抬 ...
- BUCK BOOST学习总结
首先对于我这种电源方面的小白来说 关于电源用的最多的就是线性稳压了 开关类的如 TI 的TPS系列 我是只知道应用电路而不知道具体原理的 但是长此以往也不是个办法 于是今天就带打家详细的来讲一下 ...
随机推荐
- c#几种场景获取程序运行目录
控制台.app等桌面应用程序(兼容系统自启) 1 System.IO.Path.GetDirectoryName(Process.GetCurrentProcess().MainModule.File ...
- spring boot迁移计划 第Ⅰ章 --chapter 1. rust hyper 结合rust nacos-client开发nacos网关 part ① tracing 日志
1. 引子 最近想要迁移一部分java应用至rust,在实际体验了tklog,log4rs,和tracing三款流行的日志框架后,最后选用了tracing,log4rs的文件备份文件名没有时间,不便于 ...
- Excel工具类之“参数汇总”
一.SXSSFWorkbook技术 1.冻结行数 代码 SXSSFWorkbook wb = new SXSSFWorkbook(); SXSSFSheet sheet = wb.createShee ...
- D3Shop框架介绍:一个现代化的电商系统解决方案
D3Shop框架介绍:一个现代化的电商系统解决方案 摘要:D3Shop是一个基于.NET Core 9.0和Vben-Admin的现代化电商系统框架,采用领域驱动设计(DDD)的思想构建.本文将从整体 ...
- codeup之特殊乘法
Description 写个算法,对2个小于1000000000的输入,求结果.特殊乘法举例:123 * 45 = 14 +15 +24 +25 +34+35 Input 两个小于1000000000 ...
- 普通继电器 vs 磁保持继电器 vs MOS管:工作原理与电路设计全解析
普通继电器 vs 磁保持继电器 vs MOS 管:工作原理与电路设计全解析 0.引言 在智能控制系统中,我们经常会遇到这样的问题:如何用一个微弱的控制信号,驱动一台高功率设备? 比如,单片机的输出口通 ...
- Linux环境使用apt-get安装telnet、curl、ifconfig、vim、ping等工具【转】
当在Linux服务器执行Telnet命令时,如果提示command not found: telnet,说明服务器上并未安装Telnet命令,需要安装此命令.下面介绍在linux服务器如何安装te ...
- java springboot api接口导出xlsx(不使用easyexcle)
说明 在上一个文章里说了,用了阿里巴巴的easyexcle会导致项目build后的jar包体积增大20MB左右,所以想了个曲线救国的方式 其中的\t是制表符,即tab键,\n是回车 你可以自己试着这样 ...
- CSharp中的文件操作
在C#中,可以使用System.IO命名空间中的类来进行Windows文件操作.这些类提供了丰富的方法来处理文件和目录,包括创建.复制.删除.移动文件和目录,以及读取和写入文件等功能. 常用文件操作方 ...
- Tomcat基础学习
Tomcat简介 Tomcat是一个轻量级的web服务器,也称为web容器,servlet容器.(web服务器可以封装http协议,简化开发.还可以将web项目部署到服务器上,对外提供网上浏览.) T ...









